- 徐工登顶,重汽/解放/三一拼前二,TA暴涨881%,新能源牵引车2026首轮战报出炉!
评论2026-03-05
- 特百佳D13故障 排查方法
评论2026-02-09
- 3分钟带你看完混动变速器拆装全流程
评论2026-02-04
- 高压互锁+电池绝缘测量方法,老师傅都收藏了!
评论2026-01-28
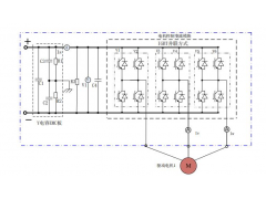
- 新能源宽体车 (矿车),变速箱及换挡机构工作原理
评论2026-01-28
- 陕汽/解放破万辆争冠,黑马进前八,牵引车12月增25%,2025全年累销近60万辆
评论2026-01-21
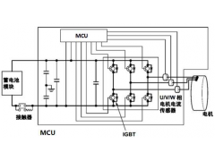
- 新能源重卡 中车控制器原理与端子定义
评论2026-01-21
- 新能源重卡 吉泰科 多合一控制器端子定义
评论2026-01-21
- 重汽超30万,解放超20万,陕汽/东风超18万,重卡2025年定格114.5万辆增27%
评论2026-01-21
- 12月新能源牵引车销近3万辆大涨195%!徐工第一,解放/三一 /陕汽/重汽超3000辆
评论2026-01-06
- 12月新能源重卡破3.4万辆抢疯了!徐工/三一/解放/陕汽/重汽超4000,谁斩销冠?
评论2026-01-06
- 国创热管理机组原理结构与低压原理
评论2026-01-06
- 双源电动转向泵控制原理
评论2026-01-06
- 松芝热管理机组原理结构
评论2026-01-06
- 牵引车7月实销3.5万辆同比“4连增”!福田逼近前二 徐工/三一继续翻倍涨
评论2025-08-25
- 牵引车5月实销3.3万辆增15%!解放份额超22%,东风保持前三,三一大涨3倍
评论2025-07-23
- 远程蝉联销冠,混动重卡5月增长44%,三一空降榜首,谁是氢能重卡大赢家?
评论2025-07-23
- 新能源牵引车电池热管理系统深度解析|部件组成+功能详解
评论2025-07-04
- “青特桥”公众号,开业大吉!
评论2025-06-11